廣州市圣南通風設備有限公司 | 熱線:18028033639 銷售電話:梁經理 13808860971
產品詳情
一、產品簡介
HTFC(DT)系列低噪聲消防通風(兩用)柜式離心風機是機電部通用機械研究所和我公司聯合研制成功的一種一機兩用、高效率,低噪聲離心風機,具有耐高溫,性能優良,結構新穎緊湊,振動小,重量輕,安裝使用方便等優點,能達到其消防排煙的目的,是目前高層建筑用消防排煙風機的更新換代產品,現已暢銷全國各地,深受用戶好評。
二、風機用途
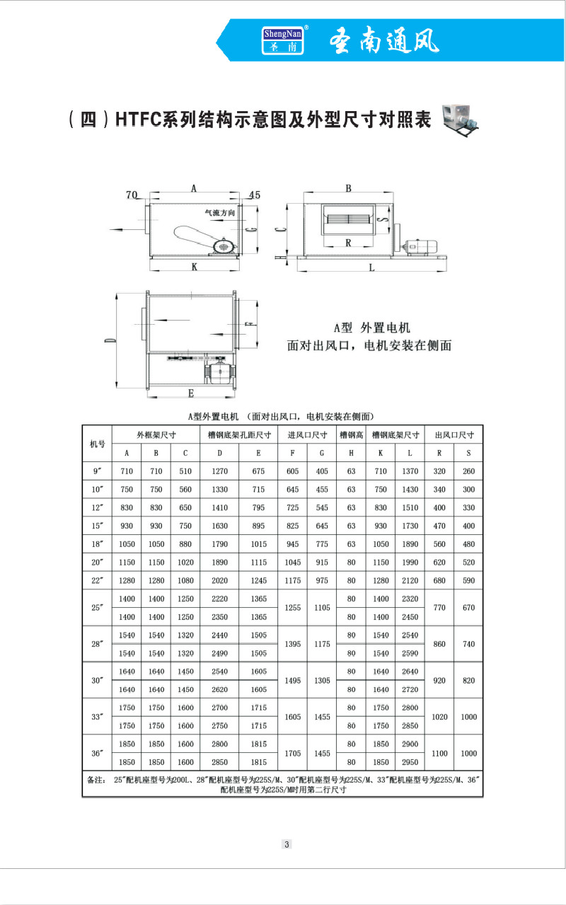
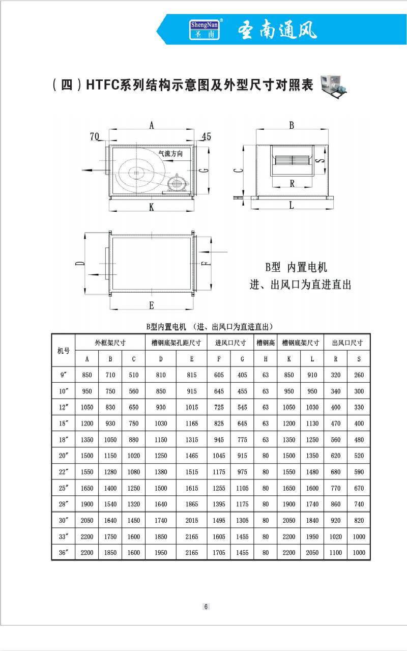
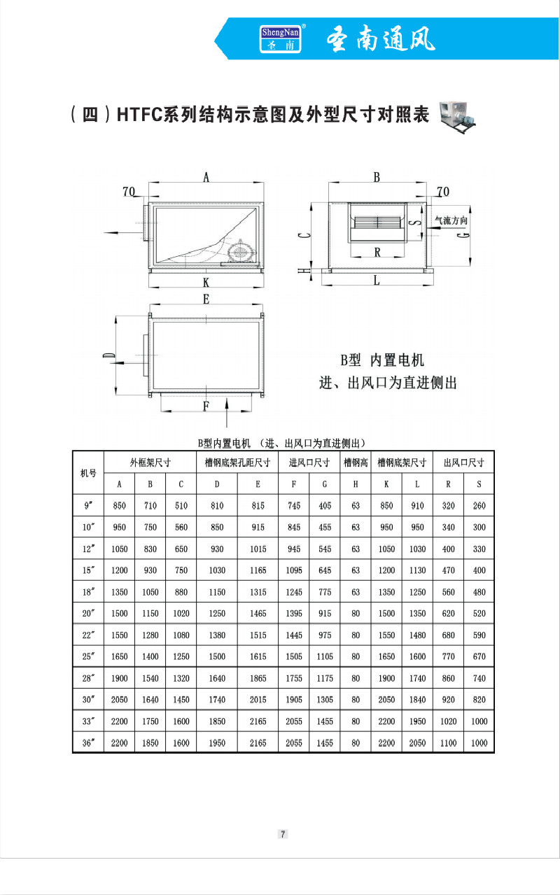
本系列產品有A型和B型兩種,電動機安裝在機柜殼體外的為A型,電動機安裝在柜機殼體內的為B型。
應用場所:可供賓館,飯店,禮堂,影劇院,地下室,廠礦企業,辦公樓需要消防通風換氣的場合使用,即可送風又可抽風。
三、風機的使用條件
氣體內的雜質:氣體內不許有粘性物質,所含的塵土及硬質顆粒物不大于150m/m³。
氣體內溫度:經耐高溫試驗,在煙氣溫度大于280℃高溫情況下,連續運轉60分鐘以上,達到消防排煙的目的。
四、型號說明











返回頂部
020-81415029
18028033639 銷售電話:梁經理 13808860971
在線留言
廣州市圣南通風設備有限公司 | 熱線:18028033639 銷售電話:梁經理 13808860971